Ítélet - Konferenciákhoz és alapvető irodai feladatokhoz optimalizálva
Az Ön igényeitől függ, hogy a Qualcomm Snapdragon az Ön számára megfelelő-e vagy sem. Az EliteBook 6 G1q 14 optimalizált Co-Pilot+, 5G WAN és HP Go csatlakoztathatóság, AI-fejlesztett webkamera funkciók és az árához képest kiváló CPU-teljesítmény ARM-natív alkalmazások futtatása esetén. A speciálisabb vagy GPU-nehéz alkalmazások esetében azonban a kompatibilitás nem garantált, és a teljesítmény az emuláció révén lassabb lehet a vártnál.
A CPU-t körülvevő hardver egyébként kiváló, különösen egy EliteBook alapmodellhez képest. Különösen az akkumulátor élettartama és a ventilátorok zaja általában hosszabb, illetve halkabb, mint a legtöbb Intel vagy AMD megoldásé. Javasoljuk, hogy gondosan válasszuk ki a kijelző opciókat, mivel jelentős különbségek vannak a Sure View-val vagy anélkül működő konfigurációk között, illetve ha a 2560 x 1600 helyett az 1920 x 1200-as felbontást választjuk.
Pro
Kontra
Ár és elérhetőség
Az Amazon most szállítja a HP EliteBook 6 G1q 14-et, ahogyan ebben a felülvizsgálatban konfigurálták, 1345 USD-ért. Alternatívaként a felhasználók testreszabhatják és megvásárolhatják közvetlenül a HP-tól 1161 dollártól kezdődően.
Az EliteBook 6 sorozat közvetlenül a régebbi EliteBook 600 sorozatot váltja fel, hogy a vállalkozások és az irodák számára a legkedvezőbb árkategóriát jelentse. A sorozat Intel, AMD és Qualcomm változatokban kapható, amelyek a megfelelő G1i, G1a és G1q nevet viselik.
EliteBook 6 G1q 14 tesztkészülékünk egy középső Qualcomm konfiguráció Snapdragon X Plus X1P-42-100 CPU-val, 1200p IPS kijelzővel és 32 GB forrasztott RAM-mal, körülbelül 1345 USD-ért. A többi SKU a lassabb Snapdragon X X1-26-100 vagy a gyorsabb Snapdragon X Elite X1E-78-100 processzorral és további, akár 1600p felbontású kijelzővel érkezik.
Az EliteBook 6 versenytársai közé tartoznak más üzleti noteszgépek, mint például a Lenovo ThinkPad E14 Gen 7, a Dell Pro 14 Plus vagy a Asus ExpertBook B5.
További HP-értékelések:
Műszaki adatok
» A Top 10 multimédiás noteszgép - tesztek alapján
» A Top 10 játékos noteszgép
» A Top 10 belépő szintű üzleti noteszgép
» A Top 10 üzleti noteszgép
» A Top 10 notebook munkaállomása
» A Top 10 okostelefon - tesztek alapján
» A Top 10 táblagép
» A Top 10 Windows tabletje
» A Top 10 subnotebook - tesztek alapján
» A Top 10 300 euró alatti okostelefonja
» A Top 10 120 euró alatti okostelefonja
» A Top 10 phabletje (>5.5-inch)
» A Top 10 noteszgép 500 EUR (~160.000 HUF) alatt
» A Top 10 "pehelysúlyú" gaming notebookja
Ügy
Az alváz kialakítása és minősége továbbra is erős, annak ellenére, hogy az EliteBook 6 lényegében a család egyik legolcsóbb modellje. A billentyűzetfedél, az alsó borítás és a külső borítás műanyag helyett alumíniumból áll, így a rendszer még mindig egy igazi EliteBooknak és nem egy olcsóbb Pavilion. A zsanérok is meglehetősen feszesek, akár a teljes 180 fokig.
Csatlakozás
Ehhez a belépő szintű EliteBook modellhez képest lenyűgöző számú integrált portot találunk. HDMI, RJ-45 és több USB-A port mind jelen van, míg a jóval drágább EliteBook Ultra G1q számos ilyen kapcsolt elem hiányzik.
Ne feledje, hogy az EliteBook 6 Qualcomm modellje nem rendelkezik Smart Card opcióval.
Kommunikáció
| Networking | |
| iperf3 transmit AXE11000 | |
| Asus ExpertBook B5 B5404CMA | |
| HP ProBook 445 G10 | |
| Dell Pro 14 Plus PB14255 GH77W | |
| HP EliteBook 8 G1a 14 AD3E9ET | |
| HP EliteBook 6 G1q 14 | |
| iperf3 receive AXE11000 | |
| HP ProBook 445 G10 | |
| Asus ExpertBook B5 B5404CMA | |
| HP EliteBook 8 G1a 14 AD3E9ET | |
| Dell Pro 14 Plus PB14255 GH77W | |
| HP EliteBook 6 G1q 14 | |
| iperf3 transmit AXE11000 6GHz | |
| Dell Pro 14 Plus PB14255 GH77W | |
| Asus ExpertBook B5 B5404CMA | |
| HP EliteBook 6 G1q 14 | |
| HP EliteBook 8 G1a 14 AD3E9ET | |
| iperf3 receive AXE11000 6GHz | |
| Dell Pro 14 Plus PB14255 GH77W | |
| HP EliteBook 8 G1a 14 AD3E9ET | |
| Asus ExpertBook B5 B5404CMA | |
| HP EliteBook 6 G1q 14 | |
Webkamera
Tesztkészülékünk 2 MP-es webkamerával és fizikai zárral van felszerelve, de a magasabb kategóriájú konfigurációkban IR és nagyobb felbontású, 5 MP-es webkamera is elérhető.

Karbantartás
Fenntarthatóság
Az alváz 50 százalékban újrahasznosított fémből és 20-50 százalékban újrahasznosított vagy óceánból származó műanyagból áll. A csomagolás többnyire papírból és kartonból áll, a hálózati adaptert egy kis műanyag csomagolással.
Tartozékok és garancia
A dobozban nincsenek extrák. Az USA-ban történő vásárlás esetén a szokásos egyéves korlátozott gyártói garancia érvényes.
Bemeneti eszközök
Annak ellenére, hogy ez az egyik olcsóbb EliteBook modell, a rendszer még mindig nagyszerű érzés gépelni rajta, kielégítő visszajelzéssel és utazással minden egyes billentyűhöz. A drágább modellek, például az EliteBook Ultra G1q billentyűzete jobb minőségű billentyűzettel rendelkezik, a nyílbillentyűk elrendezése pedig kissé eltérő.
Megjelenítés
Öt megjelenítési lehetőség áll rendelkezésre az alábbiak szerint. A mi konkrét tesztkészülékünk a félkövérrel szedett opcióval van konfigurálva.
- 1920 x 1200, IPS, 300 nits, 60 Hz, nem érintésérzékeny
- 1920 x 1200, IPS, 300 nits, 60 Hz, érintőképernyő
- 1920 x 1200, IPS, 400 nits, 60 Hz, érintés nélküli
- 1920 x 1200, IPS, 800 nits, 60 Hz, Sure View, nem érintésérzékeny
- 2560 x 1600, IPS, 400 nits, 120 Hz, 100% DCI-P3, érintés nélküli
Ez az opció teljes sRGB színeket kínál, bár viszonylag lassú fekete-fehér válaszidővel, nincs gyári színkalibrálás, és csak 60 Hz-es frissítési frekvenciával. Az érintőképernyős opciók csak az alsó kategóriás 300 nites panelre korlátozódnak, míg a szuperfényes panel csak a Sure View-hoz kötött. Alapvető böngészéshez, streaminghez és amatőr képszerkesztéshez azonban elegendő a 400 nites panelünk sRGB színekkel.
| |||||||||||||||||||||||||
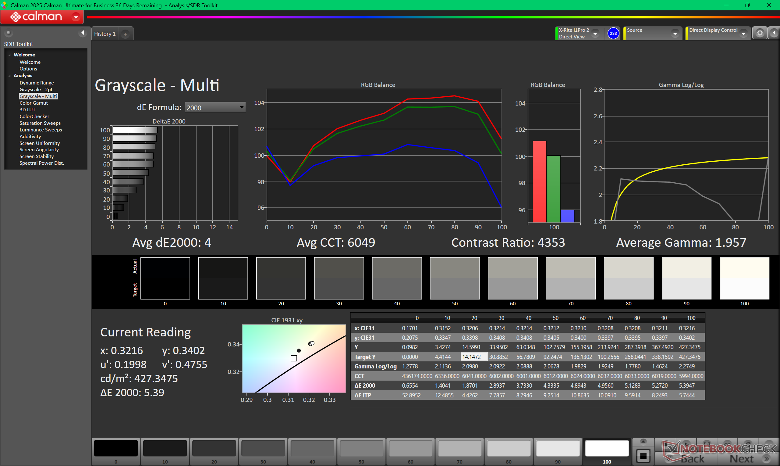
Fényerő megoszlás: 94 %
Centrumban: 434.4 cd/m²
Kontraszt: 3342:1 (Fekete: 0.13 cd/m²)
ΔE ColorChecker Calman: 3.31 | ∀{0.5-29.43 Ø4.73}
ΔE Greyscale Calman: 4 | ∀{0.09-98 Ø4.98}
Gamma: 1.96
CCT: 6049 K
| HP EliteBook 6 G1q 14 LG Philips LGD079D, IPS, 1920x1200, 14", 90 Hz | HP EliteBook 8 G1a 14 AD3E9ET LGD079D, IPS LED, 1920x1200, 14", 60 Hz | HP ProBook 445 G10 AUO2FA6, IPS, 1920x1080, 14", 60 Hz | Lenovo ThinkPad E14 G7-21SYS00H00 TL140ADXP22, IPS, 2880x1800, 14", 120 Hz | Dell Pro 14 Plus PB14255 GH77W LP140WU4, IPS LED, 1920x1200, 14", 60 Hz | Asus ExpertBook B5 B5404CMA BOE NV140WUM-N43, IPS, 1920x1200, 14", 60 Hz | |
|---|---|---|---|---|---|---|
| Display | ||||||
| Display P3 Coverage (%) | 67.1 | 68.4 | 72.2 | 37.5 | 39.7 | |
| sRGB Coverage (%) | 96 | 95.2 | 100 | 56.3 | 59.1 | |
| AdobeRGB 1998 Coverage (%) | 69.2 | 70.6 | 73.7 | 38.8 | 41.1 | |
| Response Times | 31% | 14% | 44% | 41% | 54% | |
| Response Time Grey 50% / Grey 80% * (ms) | 50.2 ? | 31.4 ? 37% | 53.4 ? -6% | 32.7 ? 35% | 27.1 ? 46% | 23.65 ? 53% |
| Response Time Black / White * (ms) | 32.6 ? | 24.5 ? 25% | 21.8 ? 33% | 15.7 ? 52% | 21.1 ? 35% | 14.83 ? 55% |
| PWM Frequency (Hz) | ||||||
| Screen | -17% | -12% | -6% | -58% | -74% | |
| Brightness middle (cd/m²) | 434.4 | 444 2% | 501 15% | 389 -10% | 315 -27% | 290 -33% |
| Brightness (cd/m²) | 423 | 434 3% | 464 10% | 363 -14% | 295 -30% | 281 -34% |
| Brightness Distribution (%) | 94 | 94 0% | 87 -7% | 89 -5% | 87 -7% | 79 -16% |
| Black Level * (cd/m²) | 0.13 | 0.19 -46% | 0.26 -100% | 0.24 -85% | 0.25 -92% | 0.22 -69% |
| Contrast (:1) | 3342 | 2337 -30% | 1927 -42% | 1621 -51% | 1260 -62% | 1318 -61% |
| Colorchecker dE 2000 * | 3.31 | 3.4 -3% | 2.64 20% | 1.7 49% | 6 -81% | 6.61 -100% |
| Colorchecker dE 2000 max. * | 5.44 | 7 -29% | 5.06 7% | 3.5 36% | 15.2 -179% | 20.32 -274% |
| Greyscale dE 2000 * | 4 | 5.2 -30% | 3.8 5% | 2.8 30% | 3.3 17% | 4.1 -2% |
| Gamma | 1.96 112% | 2.04 108% | 2.103 105% | 2.17 101% | 2.02 109% | 1.81 122% |
| CCT | 6049 107% | 6295 103% | 6562 99% | 6572 99% | 6140 106% | 7048 92% |
| Colorchecker dE 2000 calibrated * | 1.7 | 1.57 | 1.2 | 5.1 | 4.25 | |
| Teljes átlag (program / beállítások) | 7% /
-7% | 1% /
-7% | 19% /
4% | -9% /
-38% | -10% /
-48% |
* ... a kisebb jobb
A panel a túlságosan meleg színhőmérsékletével és viszonylag alacsony, 4,0 és 3,31-es átlagos deltaE szürkeárnyalat- és színértékével a dobozból kivéve csak tisztességesen kalibrált. Bár ez nem rossz egy olcsó üzleti laptophoz képest, a végfelhasználói kalibrálás nehezebb lehet, mivel az X-Rite szoftvere jelenleg nem kompatibilis az ARM gépekkel.
Megjelenítési válaszidők
| ↔ Válaszidő Fekete-fehér | ||
|---|---|---|
| 32.6 ms ... emelkedés és süllyedés ↘ kombinálva | ↗ 14.9 ms emelkedés | |
| ↘ 17.7 ms ősz | ||
| A képernyő lassú reakciósebességet mutat tesztjeinkben, és nem lesz kielégítő a játékosok számára. Összehasonlításképpen, az összes tesztelt eszköz 0.1 (minimum) és 240 (maximum) ms között mozog. » 88 % of all devices are better. Ez azt jelenti, hogy a mért válaszidő rosszabb, mint az összes vizsgált eszköz átlaga (19.9 ms). | ||
| ↔ Válaszidő 50% szürke és 80% szürke között | ||
| 50.2 ms ... emelkedés és süllyedés ↘ kombinálva | ↗ 22.2 ms emelkedés | |
| ↘ 28 ms ősz | ||
| A képernyő lassú reakciósebességet mutat tesztjeinkben, és nem lesz kielégítő a játékosok számára. Összehasonlításképpen, az összes tesztelt eszköz 0.165 (minimum) és 636 (maximum) ms között mozog. » 87 % of all devices are better. Ez azt jelenti, hogy a mért válaszidő rosszabb, mint az összes vizsgált eszköz átlaga (31.2 ms). | ||
Képernyő villogása / PWM (impulzusszélesség-moduláció)
| Képernyő villogása / PWM nem érzékelhető | |||
Összehasonlításképpen: az összes tesztelt eszköz 52 %-a nem használja a PWM-et a kijelző elsötétítésére. Ha PWM-et észleltek, akkor átlagosan 7857 (minimum: 5 - maximum: 343500) Hz-t mértek. | |||
Teljesítmény
Vizsgálati feltételek
Az alábbi összehasonlító tesztek futtatása előtt a Windows-t teljesítmény üzemmódba állítottuk.
Processzor
A CPU-teljesítmény közvetlen összehasonlítása a tipikus x86-os laptopokkal nehéz lehet. Ha az alkalmazás natívan Windows ARM rendszeren fut, akkor a mi Snapdragon X Plus X1P-42-100 még a Lunar Lake Core Ultra 7 258V több mint 30 százalékkal a nyers többszálú munkaterhelésben. Ha azonban az alkalmazást emulálni kell, akkor a Snapdragon CPU-nk akár 25 százalékkal lassabban is teljesíthet, hogy egyenrangú legyen egy régebbi U-sorozatú CPU-val, mint például a Ryzen 5 7530U.
A frissítés a Snapdragon X Elite X1E-78-100-ra snapdragon X Plus X1P-42-100-ról várhatóan 10-15 százalékkal növeli a teljesítményt, míg a Snapdragon X Plus X1P-42-100-ra való visszaváltás a teljesítményt 10-15 százalékkal növeli Snapdragon X X1-26-100-ra várhatóan 15 százalékos teljesítménycsökkenéssel jár.
Cinebench R15 Multi Loop
Cinebench R23: Multi Core | Single Core
Cinebench R20: CPU (Multi Core) | CPU (Single Core)
Cinebench R15: CPU Multi 64Bit | CPU Single 64Bit
Blender: v2.79 BMW27 CPU
7-Zip 18.03: 7z b 4 | 7z b 4 -mmt1
Geekbench 6.6: Multi-Core | Single-Core
Geekbench 5.5: Multi-Core | Single-Core
HWBOT x265 Benchmark v2.2: 4k Preset
LibreOffice : 20 Documents To PDF
R Benchmark 2.5: Overall mean
Cinebench 2024: CPU Multi Core | CPU Single Core
| CPU Performance rating | |
| HP EliteBook 8 G1a 14 AD3E9ET -2! | |
| Dell Pro 14 Plus PB14255 GH77W -2! | |
| Lenovo ThinkPad T14 Gen 6 21QG001VGE -2! | |
| HP OmniBook X Flip 16 | |
| Honor MagicBook Art 14 Snapdragon -2! | |
| Asus ExpertBook B5 B5404CMA -2! | |
| Lenovo ThinkPad E14 Gen 7 21U2002QGE | |
| HP OmniBook X 14 -3! | |
| HP Omnibook 5 14 | |
| Samsung Galaxy Book4 Edge 14 -2! | |
| HP ProBook 445 G10 -2! | |
| HP EliteBook 6 G1q 14 -2! | |
| Átlagos Qualcomm Snapdragon X Plus X1P-42-100 | |
| Asus ZenBook A14 UX3407QA -2! | |
| Cinebench R23 / Multi Core | |
| Dell Pro 14 Plus PB14255 GH77W | |
| HP EliteBook 8 G1a 14 AD3E9ET | |
| Lenovo ThinkPad T14 Gen 6 21QG001VGE | |
| Honor MagicBook Art 14 Snapdragon | |
| Asus ExpertBook B5 B5404CMA | |
| HP OmniBook X Flip 16 | |
| HP OmniBook X 14 | |
| Lenovo ThinkPad E14 Gen 7 21U2002QGE | |
| HP EliteBook 6 G1q 14 | |
| HP ProBook 445 G10 | |
| HP Omnibook 5 14 | |
| Átlagos Qualcomm Snapdragon X Plus X1P-42-100 (6062 - 8284, n=10) | |
| Asus ZenBook A14 UX3407QA | |
| Samsung Galaxy Book4 Edge 14 | |
| Cinebench R23 / Single Core | |
| Dell Pro 14 Plus PB14255 GH77W | |
| Lenovo ThinkPad T14 Gen 6 21QG001VGE | |
| HP OmniBook X Flip 16 | |
| Lenovo ThinkPad E14 Gen 7 21U2002QGE | |
| Asus ExpertBook B5 B5404CMA | |
| HP EliteBook 8 G1a 14 AD3E9ET | |
| HP ProBook 445 G10 | |
| Honor MagicBook Art 14 Snapdragon | |
| Samsung Galaxy Book4 Edge 14 | |
| HP EliteBook 6 G1q 14 | |
| HP OmniBook X 14 | |
| Átlagos Qualcomm Snapdragon X Plus X1P-42-100 (1065 - 1134, n=10) | |
| HP Omnibook 5 14 | |
| Asus ZenBook A14 UX3407QA | |
| Cinebench R20 / CPU (Multi Core) | |
| Dell Pro 14 Plus PB14255 GH77W | |
| HP EliteBook 8 G1a 14 AD3E9ET | |
| Lenovo ThinkPad T14 Gen 6 21QG001VGE | |
| HP OmniBook X 14 | |
| Honor MagicBook Art 14 Snapdragon | |
| Asus ExpertBook B5 B5404CMA | |
| HP OmniBook X Flip 16 | |
| Lenovo ThinkPad E14 Gen 7 21U2002QGE | |
| HP EliteBook 6 G1q 14 | |
| HP ProBook 445 G10 | |
| Átlagos Qualcomm Snapdragon X Plus X1P-42-100 (2361 - 3125, n=10) | |
| HP Omnibook 5 14 | |
| Asus ZenBook A14 UX3407QA | |
| Samsung Galaxy Book4 Edge 14 | |
| Cinebench R20 / CPU (Single Core) | |
| Dell Pro 14 Plus PB14255 GH77W | |
| Lenovo ThinkPad T14 Gen 6 21QG001VGE | |
| HP OmniBook X Flip 16 | |
| HP EliteBook 8 G1a 14 AD3E9ET | |
| Lenovo ThinkPad E14 Gen 7 21U2002QGE | |
| Asus ExpertBook B5 B5404CMA | |
| HP ProBook 445 G10 | |
| Honor MagicBook Art 14 Snapdragon | |
| Samsung Galaxy Book4 Edge 14 | |
| HP EliteBook 6 G1q 14 | |
| HP OmniBook X 14 | |
| Átlagos Qualcomm Snapdragon X Plus X1P-42-100 (406 - 427, n=10) | |
| HP Omnibook 5 14 | |
| Asus ZenBook A14 UX3407QA | |
| Cinebench R15 / CPU Multi 64Bit | |
| HP OmniBook X 14 | |
| Honor MagicBook Art 14 Snapdragon | |
| HP EliteBook 8 G1a 14 AD3E9ET | |
| Dell Pro 14 Plus PB14255 GH77W | |
| Asus ExpertBook B5 B5404CMA | |
| Lenovo ThinkPad T14 Gen 6 21QG001VGE | |
| HP OmniBook X Flip 16 | |
| HP EliteBook 6 G1q 14 | |
| Lenovo ThinkPad E14 Gen 7 21U2002QGE | |
| HP Omnibook 5 14 | |
| Samsung Galaxy Book4 Edge 14 | |
| Átlagos Qualcomm Snapdragon X Plus X1P-42-100 (1191 - 1560, n=10) | |
| Asus ZenBook A14 UX3407QA | |
| HP ProBook 445 G10 | |
| Cinebench R15 / CPU Single 64Bit | |
| Lenovo ThinkPad T14 Gen 6 21QG001VGE | |
| HP OmniBook X Flip 16 | |
| Lenovo ThinkPad E14 Gen 7 21U2002QGE | |
| HP EliteBook 8 G1a 14 AD3E9ET | |
| Honor MagicBook Art 14 Snapdragon | |
| Asus ExpertBook B5 B5404CMA | |
| Samsung Galaxy Book4 Edge 14 | |
| HP ProBook 445 G10 | |
| HP OmniBook X 14 | |
| HP EliteBook 6 G1q 14 | |
| Átlagos Qualcomm Snapdragon X Plus X1P-42-100 (206 - 215, n=10) | |
| HP Omnibook 5 14 | |
| Dell Pro 14 Plus PB14255 GH77W | |
| Asus ZenBook A14 UX3407QA | |
| Blender / v2.79 BMW27 CPU | |
| Samsung Galaxy Book4 Edge 14 | |
| Asus ZenBook A14 UX3407QA | |
| Átlagos Qualcomm Snapdragon X Plus X1P-42-100 (398 - 683, n=10) | |
| HP Omnibook 5 14 | |
| Lenovo ThinkPad E14 Gen 7 21U2002QGE | |
| HP EliteBook 6 G1q 14 | |
| HP ProBook 445 G10 | |
| HP OmniBook X 14 | |
| Honor MagicBook Art 14 Snapdragon | |
| HP OmniBook X Flip 16 | |
| Lenovo ThinkPad T14 Gen 6 21QG001VGE | |
| Asus ExpertBook B5 B5404CMA | |
| Dell Pro 14 Plus PB14255 GH77W | |
| HP EliteBook 8 G1a 14 AD3E9ET | |
| 7-Zip 18.03 / 7z b 4 | |
| HP EliteBook 8 G1a 14 AD3E9ET | |
| Dell Pro 14 Plus PB14255 GH77W | |
| HP OmniBook X 14 | |
| Honor MagicBook Art 14 Snapdragon | |
| Asus ExpertBook B5 B5404CMA | |
| HP ProBook 445 G10 | |
| Lenovo ThinkPad T14 Gen 6 21QG001VGE | |
| HP OmniBook X Flip 16 | |
| Samsung Galaxy Book4 Edge 14 | |
| HP Omnibook 5 14 | |
| HP EliteBook 6 G1q 14 | |
| Átlagos Qualcomm Snapdragon X Plus X1P-42-100 (29238 - 32811, n=10) | |
| Asus ZenBook A14 UX3407QA | |
| Lenovo ThinkPad E14 Gen 7 21U2002QGE | |
| 7-Zip 18.03 / 7z b 4 -mmt1 | |
| HP EliteBook 8 G1a 14 AD3E9ET | |
| Dell Pro 14 Plus PB14255 GH77W | |
| Lenovo ThinkPad T14 Gen 6 21QG001VGE | |
| HP OmniBook X Flip 16 | |
| HP ProBook 445 G10 | |
| Lenovo ThinkPad E14 Gen 7 21U2002QGE | |
| Honor MagicBook Art 14 Snapdragon | |
| Samsung Galaxy Book4 Edge 14 | |
| Asus ExpertBook B5 B5404CMA | |
| HP Omnibook 5 14 | |
| HP OmniBook X 14 | |
| HP EliteBook 6 G1q 14 | |
| Átlagos Qualcomm Snapdragon X Plus X1P-42-100 (4087 - 4675, n=10) | |
| Asus ZenBook A14 UX3407QA | |
| Geekbench 6.6 / Multi-Core | |
| Honor MagicBook Art 14 Snapdragon | |
| HP Omnibook 5 14 | |
| Samsung Galaxy Book4 Edge 14 | |
| HP OmniBook X 14 | |
| Dell Pro 14 Plus PB14255 GH77W | |
| HP EliteBook 6 G1q 14 | |
| Átlagos Qualcomm Snapdragon X Plus X1P-42-100 (7609 - 14998, n=10) | |
| HP EliteBook 8 G1a 14 AD3E9ET | |
| Lenovo ThinkPad T14 Gen 6 21QG001VGE | |
| HP OmniBook X Flip 16 | |
| Asus ZenBook A14 UX3407QA | |
| Lenovo ThinkPad E14 Gen 7 21U2002QGE | |
| Asus ExpertBook B5 B5404CMA | |
| HP ProBook 445 G10 | |
| Geekbench 6.6 / Single-Core | |
| Honor MagicBook Art 14 Snapdragon | |
| Dell Pro 14 Plus PB14255 GH77W | |
| Lenovo ThinkPad T14 Gen 6 21QG001VGE | |
| Samsung Galaxy Book4 Edge 14 | |
| HP OmniBook X Flip 16 | |
| HP Omnibook 5 14 | |
| HP EliteBook 8 G1a 14 AD3E9ET | |
| Lenovo ThinkPad E14 Gen 7 21U2002QGE | |
| HP OmniBook X 14 | |
| HP EliteBook 6 G1q 14 | |
| Átlagos Qualcomm Snapdragon X Plus X1P-42-100 (2271 - 2675, n=9) | |
| Asus ExpertBook B5 B5404CMA | |
| Asus ZenBook A14 UX3407QA | |
| HP ProBook 445 G10 | |
| Geekbench 5.5 / Multi-Core | |
| Dell Pro 14 Plus PB14255 GH77W | |
| HP EliteBook 8 G1a 14 AD3E9ET | |
| Lenovo ThinkPad T14 Gen 6 21QG001VGE | |
| HP OmniBook X Flip 16 | |
| Lenovo ThinkPad E14 Gen 7 21U2002QGE | |
| Asus ExpertBook B5 B5404CMA | |
| HP Omnibook 5 14 | |
| Átlagos Qualcomm Snapdragon X Plus X1P-42-100 (4457 - 8618, n=3) | |
| HP ProBook 445 G10 | |
| Geekbench 5.5 / Single-Core | |
| Dell Pro 14 Plus PB14255 GH77W | |
| Lenovo ThinkPad T14 Gen 6 21QG001VGE | |
| HP OmniBook X Flip 16 | |
| HP EliteBook 8 G1a 14 AD3E9ET | |
| Lenovo ThinkPad E14 Gen 7 21U2002QGE | |
| Asus ExpertBook B5 B5404CMA | |
| HP Omnibook 5 14 | |
| Átlagos Qualcomm Snapdragon X Plus X1P-42-100 (1486 - 1669, n=3) | |
| HP ProBook 445 G10 | |
| HWBOT x265 Benchmark v2.2 / 4k Preset | |
| Dell Pro 14 Plus PB14255 GH77W | |
| HP EliteBook 8 G1a 14 AD3E9ET | |
| Lenovo ThinkPad T14 Gen 6 21QG001VGE | |
| HP OmniBook X Flip 16 | |
| Asus ExpertBook B5 B5404CMA | |
| Lenovo ThinkPad E14 Gen 7 21U2002QGE | |
| HP ProBook 445 G10 | |
| Honor MagicBook Art 14 Snapdragon | |
| HP OmniBook X 14 | |
| HP EliteBook 6 G1q 14 | |
| HP Omnibook 5 14 | |
| Átlagos Qualcomm Snapdragon X Plus X1P-42-100 (3.16 - 6.18, n=10) | |
| Samsung Galaxy Book4 Edge 14 | |
| Asus ZenBook A14 UX3407QA | |
| LibreOffice / 20 Documents To PDF | |
| Dell Pro 14 Plus PB14255 GH77W | |
| Asus ZenBook A14 UX3407QA | |
| HP EliteBook 8 G1a 14 AD3E9ET | |
| Átlagos Qualcomm Snapdragon X Plus X1P-42-100 (49.8 - 62.7, n=10) | |
| HP Omnibook 5 14 | |
| Asus ExpertBook B5 B5404CMA | |
| HP ProBook 445 G10 | |
| Lenovo ThinkPad E14 Gen 7 21U2002QGE | |
| Samsung Galaxy Book4 Edge 14 | |
| Honor MagicBook Art 14 Snapdragon | |
| HP EliteBook 6 G1q 14 | |
| Lenovo ThinkPad T14 Gen 6 21QG001VGE | |
| HP OmniBook X Flip 16 | |
| R Benchmark 2.5 / Overall mean | |
| Asus ZenBook A14 UX3407QA | |
| Átlagos Qualcomm Snapdragon X Plus X1P-42-100 (0.728 - 0.777, n=10) | |
| HP EliteBook 6 G1q 14 | |
| HP Omnibook 5 14 | |
| HP OmniBook X 14 | |
| Dell Pro 14 Plus PB14255 GH77W | |
| Samsung Galaxy Book4 Edge 14 | |
| Honor MagicBook Art 14 Snapdragon | |
| HP ProBook 445 G10 | |
| Asus ExpertBook B5 B5404CMA | |
| Lenovo ThinkPad E14 Gen 7 21U2002QGE | |
| HP EliteBook 8 G1a 14 AD3E9ET | |
| Lenovo ThinkPad T14 Gen 6 21QG001VGE | |
| HP OmniBook X Flip 16 | |
| Cinebench 2024 / CPU Multi Core | |
| Honor MagicBook Art 14 Snapdragon | |
| HP OmniBook X 14 | |
| HP EliteBook 6 G1q 14 | |
| HP Omnibook 5 14 | |
| Átlagos Qualcomm Snapdragon X Plus X1P-42-100 (554 - 763, n=11) | |
| Asus ZenBook A14 UX3407QA | |
| Samsung Galaxy Book4 Edge 14 | |
| HP OmniBook X Flip 16 | |
| Lenovo ThinkPad E14 Gen 7 21U2002QGE | |
| Cinebench 2024 / CPU Single Core | |
| Honor MagicBook Art 14 Snapdragon | |
| Samsung Galaxy Book4 Edge 14 | |
| HP OmniBook X Flip 16 | |
| Átlagos Qualcomm Snapdragon X Plus X1P-42-100 (107 - 109, n=10) | |
| HP OmniBook X 14 | |
| HP Omnibook 5 14 | |
| HP EliteBook 6 G1q 14 | |
| Lenovo ThinkPad E14 Gen 7 21U2002QGE | |
| Asus ZenBook A14 UX3407QA | |
Cinebench R23: Multi Core | Single Core
Cinebench R20: CPU (Multi Core) | CPU (Single Core)
Cinebench R15: CPU Multi 64Bit | CPU Single 64Bit
Blender: v2.79 BMW27 CPU
7-Zip 18.03: 7z b 4 | 7z b 4 -mmt1
Geekbench 6.6: Multi-Core | Single-Core
Geekbench 5.5: Multi-Core | Single-Core
HWBOT x265 Benchmark v2.2: 4k Preset
LibreOffice : 20 Documents To PDF
R Benchmark 2.5: Overall mean
Cinebench 2024: CPU Multi Core | CPU Single Core
* ... a kisebb jobb
AIDA64: FP32 Ray-Trace | FPU Julia | CPU SHA3 | CPU Queen | FPU SinJulia | FPU Mandel | CPU AES | CPU ZLib | FP64 Ray-Trace | CPU PhotoWorxx
| Performance rating | |
| HP EliteBook 8 G1a 14 AD3E9ET | |
| Dell Pro 14 Plus PB14255 GH77W | |
| Lenovo ThinkPad E14 Gen 7 21U2002QGE | |
| Asus ExpertBook B5 B5404CMA | |
| HP ProBook 445 G10 | |
| HP EliteBook 6 G1q 14 | |
| Átlagos Qualcomm Snapdragon X Plus X1P-42-100 | |
| AIDA64 / FP32 Ray-Trace | |
| Dell Pro 14 Plus PB14255 GH77W | |
| HP EliteBook 8 G1a 14 AD3E9ET | |
| Lenovo ThinkPad E14 Gen 7 21U2002QGE | |
| HP ProBook 445 G10 | |
| Asus ExpertBook B5 B5404CMA | |
| HP EliteBook 6 G1q 14 | |
| Átlagos Qualcomm Snapdragon X Plus X1P-42-100 (1480 - 6208, n=9) | |
| AIDA64 / FPU Julia | |
| HP EliteBook 8 G1a 14 AD3E9ET | |
| Dell Pro 14 Plus PB14255 GH77W | |
| Lenovo ThinkPad E14 Gen 7 21U2002QGE | |
| HP ProBook 445 G10 | |
| Asus ExpertBook B5 B5404CMA | |
| HP EliteBook 6 G1q 14 | |
| Átlagos Qualcomm Snapdragon X Plus X1P-42-100 (14234 - 17629, n=9) | |
| AIDA64 / CPU SHA3 | |
| HP EliteBook 8 G1a 14 AD3E9ET | |
| Dell Pro 14 Plus PB14255 GH77W | |
| HP EliteBook 6 G1q 14 | |
| Lenovo ThinkPad E14 Gen 7 21U2002QGE | |
| Asus ExpertBook B5 B5404CMA | |
| Átlagos Qualcomm Snapdragon X Plus X1P-42-100 (2036 - 2642, n=9) | |
| HP ProBook 445 G10 | |
| AIDA64 / CPU Queen | |
| HP EliteBook 8 G1a 14 AD3E9ET | |
| Dell Pro 14 Plus PB14255 GH77W | |
| HP ProBook 445 G10 | |
| HP EliteBook 6 G1q 14 | |
| Átlagos Qualcomm Snapdragon X Plus X1P-42-100 (44346 - 48641, n=9) | |
| Lenovo ThinkPad E14 Gen 7 21U2002QGE | |
| Asus ExpertBook B5 B5404CMA | |
| AIDA64 / FPU SinJulia | |
| HP EliteBook 8 G1a 14 AD3E9ET | |
| Dell Pro 14 Plus PB14255 GH77W | |
| HP ProBook 445 G10 | |
| Asus ExpertBook B5 B5404CMA | |
| Lenovo ThinkPad E14 Gen 7 21U2002QGE | |
| HP EliteBook 6 G1q 14 | |
| Átlagos Qualcomm Snapdragon X Plus X1P-42-100 (1240 - 1502, n=9) | |
| AIDA64 / FPU Mandel | |
| HP EliteBook 8 G1a 14 AD3E9ET | |
| Dell Pro 14 Plus PB14255 GH77W | |
| HP ProBook 445 G10 | |
| Lenovo ThinkPad E14 Gen 7 21U2002QGE | |
| Asus ExpertBook B5 B5404CMA | |
| HP EliteBook 6 G1q 14 | |
| Átlagos Qualcomm Snapdragon X Plus X1P-42-100 (4929 - 9953, n=9) | |
| AIDA64 / CPU AES | |
| HP EliteBook 8 G1a 14 AD3E9ET | |
| Dell Pro 14 Plus PB14255 GH77W | |
| Asus ExpertBook B5 B5404CMA | |
| HP EliteBook 6 G1q 14 | |
| Átlagos Qualcomm Snapdragon X Plus X1P-42-100 (37646 - 45232, n=9) | |
| Lenovo ThinkPad E14 Gen 7 21U2002QGE | |
| HP ProBook 445 G10 | |
| AIDA64 / CPU ZLib | |
| HP EliteBook 8 G1a 14 AD3E9ET | |
| Dell Pro 14 Plus PB14255 GH77W | |
| Asus ExpertBook B5 B5404CMA | |
| Lenovo ThinkPad E14 Gen 7 21U2002QGE | |
| HP EliteBook 6 G1q 14 | |
| HP ProBook 445 G10 | |
| Átlagos Qualcomm Snapdragon X Plus X1P-42-100 (473 - 524, n=9) | |
| AIDA64 / FP64 Ray-Trace | |
| Dell Pro 14 Plus PB14255 GH77W | |
| HP EliteBook 8 G1a 14 AD3E9ET | |
| Lenovo ThinkPad E14 Gen 7 21U2002QGE | |
| HP ProBook 445 G10 | |
| Asus ExpertBook B5 B5404CMA | |
| HP EliteBook 6 G1q 14 | |
| Átlagos Qualcomm Snapdragon X Plus X1P-42-100 (2262 - 3430, n=9) | |
| AIDA64 / CPU PhotoWorxx | |
| Lenovo ThinkPad E14 Gen 7 21U2002QGE | |
| HP EliteBook 8 G1a 14 AD3E9ET | |
| Dell Pro 14 Plus PB14255 GH77W | |
| Asus ExpertBook B5 B5404CMA | |
| HP EliteBook 6 G1q 14 | |
| Átlagos Qualcomm Snapdragon X Plus X1P-42-100 (31088 - 32478, n=9) | |
| HP ProBook 445 G10 | |
CrossMark: Overall | Productivity | Creativity | Responsiveness
WebXPRT 3: Overall
WebXPRT 4: Overall
Mozilla Kraken 1.1: Total
Geekbench AI: Quantized GPU 1.7 | Half Precision GPU 1.7 | Single Precision GPU 1.7
| Performance rating | |
| Dell Pro 14 Plus PB14255 GH77W -3! | |
| HP EliteBook 6 G1q 14 | |
| Átlagos Qualcomm Snapdragon X Plus X1P-42-100, Qualcomm SD X Adreno X1-45 1.7 TFLOPS | |
| HP EliteBook 8 G1a 14 AD3E9ET -3! | |
| Lenovo ThinkPad E14 Gen 7 21U2002QGE -3! | |
| Asus ExpertBook B5 B5404CMA -3! | |
| CrossMark / Overall | |
| Dell Pro 14 Plus PB14255 GH77W | |
| HP EliteBook 8 G1a 14 AD3E9ET | |
| Lenovo ThinkPad E14 Gen 7 21U2002QGE | |
| Asus ExpertBook B5 B5404CMA | |
| Átlagos Qualcomm Snapdragon X Plus X1P-42-100, Qualcomm SD X Adreno X1-45 1.7 TFLOPS (1061 - 1463, n=10) | |
| HP EliteBook 6 G1q 14 | |
| CrossMark / Productivity | |
| Dell Pro 14 Plus PB14255 GH77W | |
| HP EliteBook 8 G1a 14 AD3E9ET | |
| Asus ExpertBook B5 B5404CMA | |
| Lenovo ThinkPad E14 Gen 7 21U2002QGE | |
| Átlagos Qualcomm Snapdragon X Plus X1P-42-100, Qualcomm SD X Adreno X1-45 1.7 TFLOPS (1059 - 1284, n=10) | |
| HP EliteBook 6 G1q 14 | |
| CrossMark / Creativity | |
| Dell Pro 14 Plus PB14255 GH77W | |
| HP EliteBook 8 G1a 14 AD3E9ET | |
| Lenovo ThinkPad E14 Gen 7 21U2002QGE | |
| Asus ExpertBook B5 B5404CMA | |
| Átlagos Qualcomm Snapdragon X Plus X1P-42-100, Qualcomm SD X Adreno X1-45 1.7 TFLOPS (1070 - 1660, n=10) | |
| HP EliteBook 6 G1q 14 | |
| CrossMark / Responsiveness | |
| Dell Pro 14 Plus PB14255 GH77W | |
| Asus ExpertBook B5 B5404CMA | |
| HP EliteBook 8 G1a 14 AD3E9ET | |
| Lenovo ThinkPad E14 Gen 7 21U2002QGE | |
| Átlagos Qualcomm Snapdragon X Plus X1P-42-100, Qualcomm SD X Adreno X1-45 1.7 TFLOPS (989 - 1563, n=10) | |
| HP EliteBook 6 G1q 14 | |
| WebXPRT 3 / Overall | |
| HP EliteBook 6 G1q 14 | |
| Átlagos Qualcomm Snapdragon X Plus X1P-42-100, Qualcomm SD X Adreno X1-45 1.7 TFLOPS (129.9 - 426, n=10) | |
| Dell Pro 14 Plus PB14255 GH77W | |
| HP EliteBook 8 G1a 14 AD3E9ET | |
| Lenovo ThinkPad E14 Gen 7 21U2002QGE | |
| Asus ExpertBook B5 B5404CMA | |
| WebXPRT 4 / Overall | |
| HP EliteBook 6 G1q 14 | |
| Átlagos Qualcomm Snapdragon X Plus X1P-42-100, Qualcomm SD X Adreno X1-45 1.7 TFLOPS (130.3 - 289, n=10) | |
| Lenovo ThinkPad E14 Gen 7 21U2002QGE | |
| Asus ExpertBook B5 B5404CMA | |
| HP EliteBook 8 G1a 14 AD3E9ET | |
| Dell Pro 14 Plus PB14255 GH77W | |
| Mozilla Kraken 1.1 / Total | |
| Átlagos Qualcomm Snapdragon X Plus X1P-42-100, Qualcomm SD X Adreno X1-45 1.7 TFLOPS (396 - 1145, n=10) | |
| HP EliteBook 8 G1a 14 AD3E9ET | |
| Lenovo ThinkPad E14 Gen 7 21U2002QGE | |
| Asus ExpertBook B5 B5404CMA | |
| Dell Pro 14 Plus PB14255 GH77W | |
| HP EliteBook 6 G1q 14 | |
| Geekbench AI / Quantized GPU 1.7 | |
| Átlagos Qualcomm Snapdragon X Plus X1P-42-100, Qualcomm SD X Adreno X1-45 1.7 TFLOPS (40257 - 40994, n=3) | |
| HP EliteBook 6 G1q 14 | |
| Geekbench AI / Half Precision GPU 1.7 | |
| Átlagos Qualcomm Snapdragon X Plus X1P-42-100, Qualcomm SD X Adreno X1-45 1.7 TFLOPS (16463 - 16672, n=3) | |
| HP EliteBook 6 G1q 14 | |
| Geekbench AI / Single Precision GPU 1.7 | |
| HP EliteBook 6 G1q 14 | |
| Átlagos Qualcomm Snapdragon X Plus X1P-42-100, Qualcomm SD X Adreno X1-45 1.7 TFLOPS (1539 - 1707, n=3) | |
* ... a kisebb jobb
| AIDA64 / Memory Copy | |
| Lenovo ThinkPad E14 Gen 7 21U2002QGE | |
| Dell Pro 14 Plus PB14255 GH77W | |
| HP EliteBook 8 G1a 14 AD3E9ET | |
| HP EliteBook 6 G1q 14 | |
| Átlagos Qualcomm Snapdragon X Plus X1P-42-100 (61258 - 63933, n=9) | |
| Asus ExpertBook B5 B5404CMA | |
| HP ProBook 445 G10 | |
| AIDA64 / Memory Read | |
| Átlagos Qualcomm Snapdragon X Plus X1P-42-100 (112408 - 128030, n=9) | |
| HP EliteBook 6 G1q 14 | |
| Lenovo ThinkPad E14 Gen 7 21U2002QGE | |
| Dell Pro 14 Plus PB14255 GH77W | |
| HP EliteBook 8 G1a 14 AD3E9ET | |
| Asus ExpertBook B5 B5404CMA | |
| HP ProBook 445 G10 | |
| AIDA64 / Memory Write | |
| Lenovo ThinkPad E14 Gen 7 21U2002QGE | |
| Dell Pro 14 Plus PB14255 GH77W | |
| HP EliteBook 8 G1a 14 AD3E9ET | |
| HP EliteBook 6 G1q 14 | |
| Átlagos Qualcomm Snapdragon X Plus X1P-42-100 (45782 - 49288, n=9) | |
| Asus ExpertBook B5 B5404CMA | |
| HP ProBook 445 G10 | |
| AIDA64 / Memory Latency | |
| Asus ExpertBook B5 B5404CMA | |
| Dell Pro 14 Plus PB14255 GH77W | |
| HP EliteBook 8 G1a 14 AD3E9ET | |
| Lenovo ThinkPad E14 Gen 7 21U2002QGE | |
| HP ProBook 445 G10 | |
| HP EliteBook 6 G1q 14 | |
| Átlagos Qualcomm Snapdragon X Plus X1P-42-100 (6.8 - 8.7, n=5) | |
* ... a kisebb jobb
Tárolóeszközök
A Samsung PM9A1 gyorsabb, mint az EliteBook 8 14-ben lévő PM9C1, de a DiskSpd huroktesztünkben már néhány perc után leáll, ahogy az alábbi összehasonlító grafikon mutatja. Nincs hely a másodlagos SSD-k számára.
| Drive Performance rating - Percent | |
| Dell Pro 14 Plus PB14255 GH77W | |
| HP EliteBook 8 G1a 14 AD3E9ET | |
| Lenovo ThinkPad E14 Gen 7 21U2002QGE | |
| HP EliteBook 6 G1q 14 | |
| Asus ExpertBook B5 B5404CMA | |
| HP ProBook 445 G10 | |
* ... a kisebb jobb
Lemezduguláscsökkentés: DiskSpd Read Loop, Queue Depth 8
GPU teljesítmény
A grafikus teljesítmény a rendszer egyik gyengébb tulajdonsága. Az integrált Adreno X1 még a középkategóriás Arc 130V vagy a Radeon 860M sorozatot a konkurens szubnotebookokon, különösen mivel sok GPU-intenzív alkalmazásnak emuláltan kell futnia a rendszeren.
| 3DMark Performance rating - Percent | |
| Lenovo ThinkPad T14 Gen 6 21QG001VGE -1! | |
| Lenovo ThinkPad E14 Gen 7 21U2002QGE -1! | |
| HP EliteBook 8 G1a 14 AD3E9ET -1! | |
| Dell Pro 14 Plus PB14255 GH77W -1! | |
| Asus ExpertBook B5 B5404CMA | |
| Honor MagicBook Art 14 Snapdragon -2! | |
| Átlagos Qualcomm SD X Adreno X1-45 1.7 TFLOPS | |
| HP Omnibook 5 14 | |
| HP EliteBook 6 G1q 14 | |
| HP ProBook 445 G10 -1! | |
| Samsung Galaxy Book4 Edge 14 -1! | |
| Asus ZenBook A14 UX3407QA -2! | |
| HP OmniBook X 14 -1! | |
| 3DMark 11 Performance | 4591 pontok | |
| 3DMark Cloud Gate Standard Score | 17447 pontok | |
| 3DMark Fire Strike Score | 3667 pontok | |
| 3DMark Time Spy Score | 1067 pontok | |
Segítség | ||
* ... a kisebb jobb
| Performance rating - Percent | |
| Lenovo ThinkPad E14 Gen 7 21U2002QGE | |
| Dell Pro 14 Plus PB14255 GH77W -2! | |
| HP EliteBook 8 G1a 14 AD3E9ET -1! | |
| Asus ExpertBook B5 B5404CMA | |
| HP EliteBook 6 G1q 14 | |
| HP ProBook 445 G10 -2! | |
| Cyberpunk 2077 - 1920x1080 Ultra Preset (FSR off) | |
| Lenovo ThinkPad E14 Gen 7 21U2002QGE | |
| HP EliteBook 8 G1a 14 AD3E9ET | |
| Dell Pro 14 Plus PB14255 GH77W | |
| Asus ExpertBook B5 B5404CMA | |
| HP EliteBook 6 G1q 14 | |
| Baldur's Gate 3 - 1920x1080 Ultra Preset AA:T | |
| Lenovo ThinkPad E14 Gen 7 21U2002QGE | |
| HP EliteBook 8 G1a 14 AD3E9ET | |
| Dell Pro 14 Plus PB14255 GH77W | |
| Asus ExpertBook B5 B5404CMA | |
| HP EliteBook 6 G1q 14 | |
| GTA V - 1920x1080 Highest AA:4xMSAA + FX AF:16x | |
| Lenovo ThinkPad E14 Gen 7 21U2002QGE | |
| HP EliteBook 8 G1a 14 AD3E9ET | |
| HP EliteBook 6 G1q 14 | |
| Asus ExpertBook B5 B5404CMA | |
| HP ProBook 445 G10 | |
| Final Fantasy XV Benchmark - 1920x1080 High Quality | |
| Lenovo ThinkPad E14 Gen 7 21U2002QGE | |
| HP EliteBook 8 G1a 14 AD3E9ET | |
| Dell Pro 14 Plus PB14255 GH77W | |
| Asus ExpertBook B5 B5404CMA | |
| HP EliteBook 6 G1q 14 | |
| HP ProBook 445 G10 | |
| Strange Brigade - 1920x1080 ultra AA:ultra AF:16 | |
| Lenovo ThinkPad E14 Gen 7 21U2002QGE | |
| Asus ExpertBook B5 B5404CMA | |
| Asus ExpertBook B5 B5404CMA | |
| HP EliteBook 6 G1q 14 | |
| HP ProBook 445 G10 | |
| Dota 2 Reborn - 1920x1080 ultra (3/3) best looking | |
| Dell Pro 14 Plus PB14255 GH77W | |
| Asus ExpertBook B5 B5404CMA | |
| Lenovo ThinkPad E14 Gen 7 21U2002QGE | |
| HP EliteBook 6 G1q 14 | |
| HP EliteBook 8 G1a 14 AD3E9ET | |
| HP ProBook 445 G10 | |
| X-Plane 11.11 - 1920x1080 high (fps_test=3) | |
| Dell Pro 14 Plus PB14255 GH77W | |
| HP EliteBook 8 G1a 14 AD3E9ET | |
| Lenovo ThinkPad E14 Gen 7 21U2002QGE | |
| HP EliteBook 6 G1q 14 | |
| Asus ExpertBook B5 B5404CMA | |
| HP ProBook 445 G10 | |
Cyberpunk 2077 ultra FPS Diagram
| alacsony | közepes | magas | ultra | |
|---|---|---|---|---|
| GTA V (2015) | 112 | 103.6 | 34.2 | 15.3 |
| Dota 2 Reborn (2015) | 85.6 | 67.3 | 57.6 | 49.7 |
| Final Fantasy XV Benchmark (2018) | 37.5 | 18 | 9.88 | |
| X-Plane 11.11 (2018) | 40.9 | 30.5 | 27.3 | |
| Strange Brigade (2018) | 87.4 | 29.9 | 22.7 | 19.6 |
| Baldur's Gate 3 (2023) | 13.3 | 11.7 | 10.2 | 10.1 |
| Cyberpunk 2077 (2023) | 15.2 | 11.6 | 9.81 | 8.41 |
Kibocsátás
Rendszerzaj
A rendszer még közepes terhelés, például böngészés, többfeladatos működés és videostreaming közben is nagyon csendes marad, míg a legtöbb Intel vagy AMD rendszerben a ventilátorok sokkal hamarabb felgyorsulnak. Ha azonban a CPU teljesen ki van terhelve, a ventilátorok zaja elérheti a 40 dB(A) értéket is, ami a legtöbb szubnotebook esetében hasonlóan magas határértéket jelent.
Zajszint
| Üresjárat |
| 22.8 / 22.8 / 22.8 dB(A) |
| Terhelés |
| 22.8 / 41.8 dB(A) |
![]() | ||
30 dB csendes 40 dB(A) hallható 50 dB(A) hangos |
||
min: | ||
| HP EliteBook 6 G1q 14 SD X Plus X1P-42-100, Adreno X1-45 1.7 TFLOPS | HP EliteBook 8 G1a 14 AD3E9ET R7 250, Radeon 780M | HP ProBook 445 G10 R5 7530U, Vega 7 | Lenovo ThinkPad E14 Gen 7 21U2002QGE Core Ultra 5 228V, Arc 130V | Dell Pro 14 Plus PB14255 GH77W Ryzen AI 7 PRO 350, Radeon 860M | Asus ExpertBook B5 B5404CMA Ultra 7 155U, Graphics 4-Core iGPU (Arrow Lake) | |
|---|---|---|---|---|---|---|
| Noise | -19% | -13% | -17% | -14% | -38% | |
| off / környezet * (dB) | 22.7 | 23.7 -4% | 24 -6% | 24.5 -8% | 24.9 -10% | 23 -1% |
| Idle Minimum * (dB) | 22.8 | 23.7 -4% | 24 -5% | 24.5 -7% | 24.9 -9% | 27.38 -20% |
| Idle Average * (dB) | 22.8 | 23.7 -4% | 25 -10% | 24.5 -7% | 24.9 -9% | 27.38 -20% |
| Idle Maximum * (dB) | 22.8 | 23.7 -4% | 28 -23% | 25.4 -11% | 27.6 -21% | 27.38 -20% |
| Load Average * (dB) | 22.8 | 39.1 -71% | 33 -45% | 38.6 -69% | 29.3 -29% | 45.35 -99% |
| Cyberpunk 2077 ultra * (dB) | 29.4 | 42.4 -44% | 34.9 -19% | 37.5 -28% | 52.3 -78% | |
| Load Maximum * (dB) | 41.8 | 42.3 -1% | 36 14% | 41.5 1% | 37.5 10% | 52.21 -25% |
| Witcher 3 ultra * (dB) | 36 |
* ... a kisebb jobb
Hőmérséklet
A felszíni hőmérséklet észrevehetően melegebb az alváz bal felén, a processzor közelében. A forró pontok elérhetik a 40 C körüli hőmérsékletet, ami csak kicsivel hűvösebb, mint amit az Intel-üzemű ThinkPad E14 Gen 7.
(+) A felső oldalon a maximális hőmérséklet 37.2 °C / 99 F, összehasonlítva a 34.3 °C / 94 F átlagával , 21.2 és 62.5 °C között a Office osztálynál.
(±) Az alsó maximum 42.4 °C / 108 F-ig melegszik fel, összehasonlítva a 36.8 °C / 98 F átlagával
(+) Üresjáratban a felső oldal átlagos hőmérséklete 22.5 °C / 73 F, összehasonlítva a 29.5 °C / ### eszközátlaggal class_avg_f### F.
(+) A csuklótámasz és az érintőpad hűvösebb, mint a bőr hőmérséklete, maximum 26.4 °C / 79.5 F, ezért hűvös tapintású.
(±) A hasonló eszközök csuklótámasz területének átlagos hőmérséklete 27.5 °C / 81.5 F volt (+1.1 °C / 2 F).
| HP EliteBook 6 G1q 14 SD X Plus X1P-42-100, Adreno X1-45 1.7 TFLOPS | HP EliteBook 8 G1a 14 AD3E9ET R7 250, Radeon 780M | HP ProBook 445 G10 R5 7530U, Vega 7 | Lenovo ThinkPad E14 Gen 7 21U2002QGE Core Ultra 5 228V, Arc 130V | Dell Pro 14 Plus PB14255 GH77W Ryzen AI 7 PRO 350, Radeon 860M | Asus ExpertBook B5 B5404CMA Ultra 7 155U, Graphics 4-Core iGPU (Arrow Lake) | |
|---|---|---|---|---|---|---|
| Heat | -10% | -19% | -5% | -10% | -20% | |
| Maximum Upper Side * (°C) | 37.2 | 41.3 -11% | 43 -16% | 41.7 -12% | 38.1 -2% | 38.6 -4% |
| Maximum Bottom * (°C) | 42.4 | 40.5 4% | 51 -20% | 43.3 -2% | 40.1 5% | 48 -13% |
| Idle Upper Side * (°C) | 24.2 | 27.4 -13% | 27 -12% | 24.3 -0% | 28.9 -19% | 28.8 -19% |
| Idle Bottom * (°C) | 23.6 | 28.6 -21% | 30 -27% | 25 -6% | 29.6 -25% | 33.4 -42% |
* ... a kisebb jobb
Stressz teszt
A CPU 3,2 GHz-re és 25 W-ra gyorsul a Prime95 stressz indításakor. Miután azonban néhány másodperccel később elérte a 89 C-os maghőmérsékletet, a CPU 2,7 GHz-re és 15 W-ra esett vissza, és a maghőmérséklet 76 C-ra hűlt le.
| Átlagos CPU órajel (GHz) | GPU órajel (MHz) | Átlagos CPU hőmérséklet (°C) | |
| Rendszer üresjáratban | -- | -- | 23 |
| Prime95 Stressz | 2,7 | -- | 76 |
| Prime95 + FurMark Stressz | 2,2 - 2,7 | 1107 | 65 - 82 |
| Cyberpunk 2077 Stressz | 3.2 | 1107 | 48 |
Hangszórók
HP EliteBook 6 G1q 14 hangelemzés
(+) | a hangszórók viszonylag hangosan tudnak játszani (84.3 dB)
Basszus 100 - 315 Hz
(-) | szinte nincs basszus – átlagosan 24%-kal alacsonyabb a mediánnál
(±) | a basszus linearitása átlagos (8.4% delta az előző frekvenciához)
Közepes 400-2000 Hz
(+) | kiegyensúlyozott középpontok – csak 3.8% választja el a mediántól
(+) | a középpontok lineárisak (6% delta az előző frekvenciához)
Maximum 2-16 kHz
(+) | kiegyensúlyozott csúcsok – csak 3.5% választja el a mediántól
(+) | a csúcsok lineárisak (5.4% delta az előző frekvenciához képest)
Összességében 100 - 16.000 Hz
(±) | az általános hang linearitása átlagos (15.5% eltérés a mediánhoz képest)
Ugyanazon osztályhoz képest
» 16%Ebben az osztályban az összes tesztelt eszköz %-a jobb volt, 4% hasonló, 81%-kal rosszabb
» A legjobb delta értéke 7%, az átlag 21%, a legrosszabb 53% volt
Az összes tesztelt eszközzel összehasonlítva
» 23% az összes tesztelt eszköz jobb volt, 4% hasonló, 73%-kal rosszabb
» A legjobb delta értéke 4%, az átlag 24%, a legrosszabb 134% volt
Apple MacBook Pro 16 2021 M1 Pro hangelemzés
(+) | a hangszórók viszonylag hangosan tudnak játszani (84.7 dB)
Basszus 100 - 315 Hz
(+) | jó basszus – csak 3.8% választja el a mediántól
(+) | a basszus lineáris (5.2% delta az előző frekvenciához)
Közepes 400-2000 Hz
(+) | kiegyensúlyozott középpontok – csak 1.3% választja el a mediántól
(+) | a középpontok lineárisak (2.1% delta az előző frekvenciához)
Maximum 2-16 kHz
(+) | kiegyensúlyozott csúcsok – csak 1.9% választja el a mediántól
(+) | a csúcsok lineárisak (2.7% delta az előző frekvenciához képest)
Összességében 100 - 16.000 Hz
(+) | általános hangzás lineáris (4.6% eltérés a mediánhoz képest)
Ugyanazon osztályhoz képest
» 0%Ebben az osztályban az összes tesztelt eszköz %-a jobb volt, 0% hasonló, 100%-kal rosszabb
» A legjobb delta értéke 5%, az átlag 17%, a legrosszabb 45% volt
Az összes tesztelt eszközzel összehasonlítva
» 0% az összes tesztelt eszköz jobb volt, 0% hasonló, 100%-kal rosszabb
» A legjobb delta értéke 4%, az átlag 24%, a legrosszabb 134% volt
Energiagazdálkodás
Energiafogyasztás
A Snapdragon-alapú EliteBook várhatóan nagyon hatékony, különösen a mindennapi munkamenetek, például böngészők vagy videók futtatásakor. Igényesebb lehet, mint egy Core Ultra 7 258V rendszer, mint például a ThinkPad T14 G6 amikor a CPU teljesen ki van terhelve, de ugyanakkor gyorsabb teljesítményt kínál hasonló teljesítmény/watt szint mellett.
A kis méretű (~8,9 x 5 x 2,8 cm) 65 W-os USB-C hálózati adapterrel 69 W-os maximális fogyasztást tudunk rögzíteni.
| Kikapcsolt állapot / Készenlét | |
| Üresjárat | |
| Terhelés |
|
Kulcs:
min: | |
| HP EliteBook 6 G1q 14 SD X Plus X1P-42-100, Adreno X1-45 1.7 TFLOPS, Samsung PM9A1 MZVL2512HCJQ, IPS, 1920x1200, 14" | HP EliteBook 8 G1a 14 AD3E9ET R7 250, Radeon 780M, Samsung PM9C1 MZVL81T0HELB-00BTW, IPS LED, 1920x1200, 14" | HP ProBook 445 G10 R5 7530U, Vega 7, Kioxia BG5 KBG50ZNS512G, IPS, 1920x1080, 14" | Lenovo ThinkPad E14 Gen 7 21U2002QGE Core Ultra 5 228V, Arc 130V, Samsung PM9C1b MZVL81T0HFLB-00BH1, IPS, 2880x1800, 14" | Dell Pro 14 Plus PB14255 GH77W Ryzen AI 7 PRO 350, Radeon 860M, Micron 2500 1TB MTFDKBA1T0QGN, IPS LED, 1920x1200, 14" | Asus ExpertBook B5 B5404CMA Ultra 7 155U, Graphics 4-Core iGPU (Arrow Lake), Micron 2400 MTFDKBA1T0QFM, IPS, 1920x1200, 14" | |
|---|---|---|---|---|---|---|
| Power Consumption | -44% | -58% | -63% | -53% | -59% | |
| Idle Minimum * (Watt) | 3.4 | 3.2 6% | 7 -106% | 3.9 -15% | 3.7 -9% | 2.57 24% |
| Idle Average * (Watt) | 4.5 | 5.2 -16% | 8 -78% | 7.2 -60% | 7.3 -62% | 5.95 -32% |
| Idle Maximum * (Watt) | 5.9 | 6.1 -3% | 9 -53% | 8.6 -46% | 8.5 -44% | 6.85 -16% |
| Load Average * (Watt) | 18.4 | 41.8 -127% | 34 -85% | 39.9 -117% | 37.4 -103% | 45.6 -148% |
| Cyberpunk 2077 ultra * (Watt) | 22.1 | 42.1 -90% | 44.8 -103% | 35.9 -62% | 48.6 -120% | |
| Cyberpunk 2077 ultra external monitor * (Watt) | 20.1 | 41.6 -107% | 42.1 -109% | 40.3 -100% | 48 -139% | |
| Load Maximum * (Watt) | 69.2 | 50.5 27% | 47 32% | 61 12% | 64.6 7% | 55.7 20% |
| Witcher 3 ultra * (Watt) | 36.2 |
* ... a kisebb jobb
Energiafogyasztás Cyberpunk / Stressz teszt
Energiafogyasztás külső monitor
Az akkumulátor élettartama
Az üzemidő nagyon hosszú, majdnem 16 órán át tart a valós világbeli böngészés az 56 Wh-s akkumulátorról. Kisebb és könnyebb, 48 Wh-s akkumulátorral szerelt konfigurációk is elérhetők.
| HP EliteBook 6 G1q 14 SD X Plus X1P-42-100, Adreno X1-45 1.7 TFLOPS, 56 Wh | HP EliteBook 8 G1a 14 AD3E9ET R7 250, Radeon 780M, 62 Wh | HP ProBook 445 G10 R5 7530U, Vega 7, 42 Wh | Lenovo ThinkPad E14 Gen 7 21U2002QGE Core Ultra 5 228V, Arc 130V, 64 Wh | Dell Pro 14 Plus PB14255 GH77W Ryzen AI 7 PRO 350, Radeon 860M, 55 Wh | Asus ExpertBook B5 B5404CMA Ultra 7 155U, Graphics 4-Core iGPU (Arrow Lake), 63 Wh | |
|---|---|---|---|---|---|---|
| Akkumulátor üzemidő | -11% | -40% | -8% | -26% | -18% | |
| WiFi v1.3 (h) | 15.9 | 14.2 -11% | 9.5 -40% | 14.6 -8% | 11.8 -26% | 13.1 -18% |
| Load (h) | 1.8 | 1.8 | ||||
| H.264 (h) | 12.7 |
Notebookcheck Értékelés
A nagyon hosszú akkumulátor-üzemidő, a csendes működés és a gazdag csatlakoztathatóság teszi a HP EliteBook 6 G1q 14-et vonzó üzleti noteszgéppé, ha főként ARM-natív alkalmazásokat futtat.
HP EliteBook 6 G1q 14
- 01/02/2026 v8
Allen Ngo
Potenciális versenytársak összehasonlításban
Kép | Modell / Review | Legjobb ár | Súly | Magasság | Kijelző |
|---|---|---|---|---|---|
| HP EliteBook 6 G1q 14 Qualcomm Snapdragon X Plus X1P-42-100 ⎘ Qualcomm SD X Adreno X1-45 1.7 TFLOPS ⎘ 32 GB Memória, 512 GB SSD | Amazon: List Price: 1300 USD | 1.5 kg | 17 mm | 14.00" 1920x1200 162 PPI IPS | |
| HP EliteBook 8 G1a 14 AD3E9ET AMD Ryzen 7 250 ⎘ AMD Radeon 780M ⎘ 32 GB Memória, 1024 GB SSD | Amazon: List Price: 1695 Euro | 1.4 kg | 19.1 mm | 14.00" 1920x1200 162 PPI IPS LED | |
| HP ProBook 445 G10 AMD Ryzen 5 7530U ⎘ AMD Radeon RX Vega 7 ⎘ 16 GB Memória, 512 GB SSD | Amazon: 1. $949.98 HP ProBook 450 G10 Business ... 2. $599.00 HP ProBook 445 G10 14" FHD (... 3. $649.00 HP ProBook 455 G10 15.6" Not... List Price: 830 EUR | 1.3 kg | 20 mm | 14.00" 1920x1080 157 PPI IPS | |
| Lenovo ThinkPad E14 Gen 7 21U2002QGE Intel Core Ultra 5 228V ⎘ Intel Arc Graphics 130V ⎘ 32 GB Memória, 1000 GB SSD | Amazon: List Price: 1199€ | 1.4 kg | 15.3 mm | 14.00" 2880x1800 243 PPI IPS | |
| Dell Pro 14 Plus PB14255 GH77W AMD Ryzen AI 7 PRO 350 ⎘ AMD Radeon 860M ⎘ 32 GB Memória, 1024 GB SSD | Amazon: List Price: 1630 Euro | 1.6 kg | 22 mm | 14.00" 1920x1200 162 PPI IPS LED | |
| Asus ExpertBook B5 B5404CMA Intel Core Ultra 7 155U ⎘ Intel Graphics 4-Core iGPU (Meteor / Arrow Lake) ⎘ 16 GB Memória, 1024 GB SSD | Amazon: 1. $1,529.99 ASUS ExpertBook B5 Thin & Li... 2. $69.99 FCZFCZ C31N2005 Battery 50Wh... 3. $494.25 ASUS ExpertBook CX54 Chromeb... List Price: 1340 USD | 1.3 kg | 19 mm | 14.00" 1920x1200 162 PPI IPS |
Átláthatóság
A felülvizsgálandó készülékek kiválasztását szerkesztőségünk végzi. A tesztmintát a gyártó vagy a kiskereskedő kölcsönként bocsátotta a szerző rendelkezésére a felülvizsgálat céljából. A hitelezőnek nem volt befolyása erre a felülvizsgálatra, és a gyártó sem kapott másolatot erről a felülvizsgálatról a közzététel előtt. Nem volt kötelesség ezt az ismertetőt közzétenni. Független médiavállalatként a Notebookcheck nincs alávetve a gyártók, kiskereskedők vagy kiadók felhatalmazásának.
Így tesztel a Notebookcheck
A Notebookcheck minden évben független, laptopok és okostelefonok százait vizsgálja meg szabványosított eljárások alkalmazásával annak érdekében, hogy minden eredmény összehasonlítható legyen. Körülbelül 20 éve folyamatosan fejlesztjük vizsgálati módszereinket, és ennek során iparági szabványokat állítottunk fel. Tesztlaboratóriumainkban kiváló minőségű mérőberendezéseket használnak tapasztalt technikusok és szerkesztők. Ezek a tesztek többlépcsős validációs folyamatot foglalnak magukban. Komplex minősítési rendszerünk több száz megalapozott mérésen és benchmarkon alapul, ami megőrzi az objektivitást.



























































