Ítélet Samsung Galaxy A17 4G
A Samsung Galaxy A17 4G-nél olcsóbban aligha kaphatsz AMOLED képernyővel ellátott okostelefont: Kevesebb mint 200 eurót fizet a telefonért. Viszont az 5G-képességről is le kell mondanod, és be kell érned 4 GB RAM-mal, legalábbis az alapmodell esetében. Az akkumulátor üzemideje is meglehetősen közepes.
A viszonylag lassú SoC-on nem akar majd túlságosan összetett alkalmazásokat futtatni. Mindazonáltal a legtöbb hétköznapi feladat simán fut.
A rugalmas kamerarendszer a nagylátószögű és makró kamerával szintén szokatlan, még akkor is, ha ezek igen alacsony felbontásúak.
A képernyőn megjelenő PWM villódzással együtt kell élnie, és nem szabad túl nagy követelményeket támasztania a Wi-Fi sebességével szemben.
Összességében azonban a Samsung Galaxy A17 4G egy szokatlanul jól felszerelt olcsó okostelefon, amelyet mindenképpen érdemes megnézni.
Pro
Kontra
Ár és elérhetőség
Az amazon.com oldalon körülbelül 230 USD-t kell fizetni az okostelefonért.
Tartalomjegyzék
- Ítélet Samsung Galaxy A17 4G
- Műszaki adatok
- Ház és funkciók - műanyag és Gorilla Glass
- Kommunikáció és működés - LTE telefon ujjlenyomat-érzékelővel
- Szoftver és fenntarthatóság - 6 évnyi frissítés?
- Kamerák - Szokatlanul rugalmas
- Kijelző - Fényes 90 Hz-es AMOLED
- Teljesítmény, károsanyag-kibocsátás és akkumulátor-üzemidő - meglehetősen gyors
- Notebookcheck általános értékelés
- Lehetséges alternatívák az összehasonlításban
Műszaki adatok
Ház és funkciók - műanyag és Gorilla Glass
A Samsung Galaxy A17 4G készülékházát újratervezték, karcsúsították és 10 grammal könnyebbé tették elődjénél.
A teljes burkolat műanyagból készült, de masszívnak tűnik és letisztult kivitelű. A hátlap kissé visszatükrözi a környezeti fényt, de az általános dizájn meglehetősen egyszerű. A kamerákat egy ovális modulban egyesítették. A képernyőt Gorilla Glass Victus üveg védi, ami ritkaság ebben az árkategóriában.
Tesztkészülékünk 4 GB RAM-mal és 128 GB tömeges tárolóval érkezik. Létezik 8 GB RAM-mal és 256 GB tömeges tárolóval szerelt modell is, az árkülönbség körülbelül 30 euró.
Tetszik, hogy NFC is rendelkezésre áll, például a mobilfizetési szolgáltatásokhoz.
Az eSIM nem használható, de két nano-SIM foglalat rendelkezésre áll. Az egyikbe microSD-kártya is behelyezhető, amely akár 2 TB-tal is bővíti a memóriát. Tesztünkben az olvasó meglehetősen gyorsan és meglehetősen stabil átviteli sebességgel működött.
» A Top 10 multimédiás noteszgép - tesztek alapján
» A Top 10 játékos noteszgép
» A Top 10 belépő szintű üzleti noteszgép
» A Top 10 üzleti noteszgép
» A Top 10 notebook munkaállomása
» A Top 10 okostelefon - tesztek alapján
» A Top 10 táblagép
» A Top 10 Windows tabletje
» A Top 10 subnotebook - tesztek alapján
» A Top 10 300 euró alatti okostelefonja
» A Top 10 120 euró alatti okostelefonja
» A Top 10 phabletje (>5.5-inch)
» A Top 10 noteszgép 500 EUR (~160.000 HUF) alatt
» A Top 10 "pehelysúlyú" gaming notebookja
| SD Card Reader - average JPG Copy Test (av. of 3 runs) | |
| Samsung Galaxy A17 5G (Angelbird V60) | |
| Samsung Galaxy A16 4G (Angelbird V60) | |
| Samsung Galaxy A17 4G | |
| Xiaomi Redmi 15C 5G (Angelbird V60) | |
| Az osztály átlaga Smartphone (5.72 - 58.9, n=69, az elmúlt 2 évben) | |
| Motorola Moto G15 (Angelbird V60) | |
Platformközi lemezvizsgálat (CPDT)
Kommunikáció és működés - LTE telefon ujjlenyomat-érzékelővel
Az 5G mobilkommunikációt nélkülöznie kell, és az LTE-hálózatban sem áll rendelkezésre túl sok frekvenciasáv.
Tesztünk során a különböző helyszíni ellenőrzések során a vétel nem mindig optimális, de ritkán hibázik teljesen.
Wi-Fi terén a telefon legfeljebb a WiFi 5 szabványt tudja használni. Ez azt jelenti, hogy a 300 MBit/s körüli adatátviteli sebességet elég stabilan eléri.
A képernyő másodpercenként akár 90 képkockát is képes megjeleníteni, ezért elég gyorsan reagál a bevitelre. Az érintőképernyő pontosan kezelhető.
A burkolat jobb oldalán található készenléti gombba ujjlenyomat-érzékelőt építettek be, amely megbízhatóan és kis várakozási idővel oldja fel a telefont. A biometrikus feloldás arcfelismerésen keresztül is lehetséges. Jó környezeti fényviszonyok mellett is meglehetősen gyorsan és pontosan működik.
| Networking | |
| Samsung Galaxy A17 4G | |
| iperf3 transmit AXE11000 | |
| iperf3 receive AXE11000 | |
| Samsung Galaxy A17 5G | |
| iperf3 transmit AXE11000 | |
| iperf3 receive AXE11000 | |
| Xiaomi Redmi 15C 5G | |
| iperf3 transmit AXE11000 | |
| iperf3 receive AXE11000 | |
| Samsung Galaxy A16 4G | |
| iperf3 transmit AXE11000 | |
| iperf3 receive AXE11000 | |
| Motorola Moto G15 | |
| iperf3 transmit AXE11000 | |
| iperf3 receive AXE11000 | |
| Átlagos 802.11 a/b/g/n/ac | |
| iperf3 transmit AXE11000 | |
| iperf3 receive AXE11000 | |
| Az osztály átlaga Smartphone | |
| iperf3 transmit AXE11000 | |
| iperf3 receive AXE11000 | |
Szoftver és fenntarthatóság - 6 évnyi frissítés?
Android 15 van előtelepítve a készülékre, a Samsung OneUI-val a tetején, ami elég jelentősen megváltoztatja az operációs rendszert.
A Galaxy A17 4G 2031-ig, azaz a megjelenéstől számított hat évig kap frissítéseket, és az operációs rendszer új verziói ez idő alatt lesznek elérhetőek. Ezt azonban a Samsung a honlapján a "legfeljebb" kiegészítéssel és egyéb jogi kikötésekkel korlátozza. Tehát nem lehet teljes mértékben bízni ebben a nagy ígéretben.
A Galaxy A17 4G-t papírba csomagolták. Az újrahasznosított anyagok mindössze 1,4%-át teszik ki a terméknek. Legalább van egy önjavító adatbázis amelyben a Samsung pótalkatrészeket kínál.
Kamerák - Szokatlanul rugalmas
Semmi sem változott a kamerákban a Galaxy A16 4G, de már eddig is nagyon jól felszerelt volt: Az 50 megapixeles főkamera mellett egy nagylátószögű és egy makró objektív is található. Mindkettő alacsony felbontású, de a kamerarendszer így is elég rugalmas.
A fő kamera elfogadható képeket készít, amelyek hűvös színeket mutatnak. A részletek nem mindig könnyen felismerhetők. A környező kép is helyenként kissé elmosódottnak tűnik. Gyenge fényviszonyok és erős kontrasztok esetén a fényerő elég jó, és a legtöbb területen még mindig kivehetők a részletek.
A videókat maximum 1080p felbontásban és 30 fps sebességgel lehet rögzíteni. A részletesség megfelelő, de az autofókusz néha túl lassú.
A nagylátószögű kamera képe meglehetősen durvának tűnik. Az előlapi kamera tisztességes, jó részletességű szelfiket készít.
Kép összehasonlítás
Válasszon egy jelenetet, és navigáljon az első képen belül. Érintőképernyőkön egy kattintással megváltoztathatja a pozíciót. Egy kattintás a kinagyított képre megnyitja az eredetit egy új ablakban. Az első képen a tesztkészülék méretarányos fotója látható.
Hauptkamera PflanzeHauptkamera UmgebungHauptkamera LowLightWeitwinkel


Kijelző - Fényes 90 Hz-es AMOLED
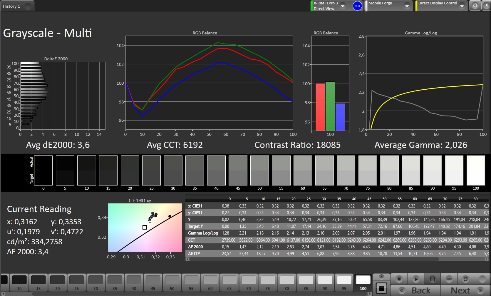
A Galaxy A17 AMOLED képernyője ritkaságnak számít a 200 euró alatti árkategóriában. A képernyő elég fényes, akár 687 cd/m² fényereje is lehet.
A színvisszaadás is tetszetős, csak enyhe, szabad szemmel alig látható eltérésekkel.
A kép meglehetősen élesnek tűnik, és a színek élénkek.
Alacsony fényerőnél azonban el kell fogadni a PWM villogást is.
| |||||||||||||||||||||||||
Fényerő megoszlás: 93 %
Centrumban: 687 cd/m²
Kontraszt: ∞:1 (Fekete: 0 cd/m²)
ΔE ColorChecker Calman: 3.45 | ∀{0.5-29.43 Ø4.78}
ΔE Greyscale Calman: 3.6 | ∀{0.09-98 Ø5}
99.8% sRGB (Calman 2D)
Gamma: 2.026
CCT: 6192 K
| Samsung Galaxy A17 4G AMOLED, 2340x1080, 6.7" | Samsung Galaxy A17 5G AMOLED, 2340x1080, 6.7" | Xiaomi Redmi 15C 5G IPS, 1600x720, 6.9" | Samsung Galaxy A16 4G Super AMOLED, 2340x1080, 6.7" | Motorola Moto G15 IPS, 2400x1080, 6.7" | |
|---|---|---|---|---|---|
| Screen | 5% | 1% | 8% | 5% | |
| Brightness middle (cd/m²) | 687 | 691 1% | 591 -14% | 729 6% | 468 -32% |
| Brightness (cd/m²) | 666 | 672 1% | 557 -16% | 716 8% | 452 -32% |
| Brightness Distribution (%) | 93 | 92 -1% | 91 -2% | 95 2% | 86 -8% |
| Black Level * (cd/m²) | 0.51 | 0.3 | |||
| Colorchecker dE 2000 * | 3.45 | 3.15 9% | 3.25 6% | 3.14 9% | 2.07 40% |
| Colorchecker dE 2000 max. * | 5.49 | 4.41 20% | 6.77 -23% | 4.24 23% | 6.38 -16% |
| Greyscale dE 2000 * | 3.6 | 3.6 -0% | 1.6 56% | 3.6 -0% | 0.8 78% |
| Gamma | 2.026 109% | 2.041 108% | 2.299 96% | 2.057 107% | 2.202 100% |
| CCT | 6192 105% | 6507 100% | 6967 93% | 6441 101% | 6607 98% |
| Contrast (:1) | 1159 | 1560 |
* ... a kisebb jobb
Képernyő villogása / PWM (impulzusszélesség-moduláció)
| Képernyő villogása / PWM észlelve | 367 Hz Amplitude: 16 % | ||
A kijelző háttérvilágítása 367 Hz-en villog (a legrosszabb esetben, pl. PWM használatával) . A 367 Hz frekvenciája viszonylag magas, így a legtöbb PWM-re érzékeny felhasználó nem észlel semmilyen villogást. Vannak azonban jelentések, amelyek szerint egyes felhasználók még mindig érzékenyek a PWM-re 500 Hz-en és magasabb frekvencián, ezért ügyeljen rá. Összehasonlításképpen: az összes tesztelt eszköz 53 %-a nem használja a PWM-et a kijelző elsötétítésére. Ha PWM-et észleltek, akkor átlagosan 8121 (minimum: 5 - maximum: 343500) Hz-t mértek. | |||
Megjelenítési válaszidők
| ↔ Válaszidő Fekete-fehér | ||
|---|---|---|
| 2.5 ms ... emelkedés és süllyedés ↘ kombinálva | ↗ 1.2 ms emelkedés | |
| ↘ 1.3 ms ősz | ||
| A képernyő tesztjeinkben nagyon gyors reakciósebességet mutatott, és nagyon jól használható gyors tempójú játékokhoz. Összehasonlításképpen, az összes tesztelt eszköz 0.1 (minimum) és 240 (maximum) ms között mozog. » 12 % of all devices are better. Ez azt jelenti, hogy a mért válaszidő jobb, mint az összes vizsgált eszköz átlaga (20.2 ms). | ||
| ↔ Válaszidő 50% szürke és 80% szürke között | ||
| 2 ms ... emelkedés és süllyedés ↘ kombinálva | ↗ 1 ms emelkedés | |
| ↘ 1 ms ősz | ||
| A képernyő tesztjeinkben nagyon gyors reakciósebességet mutatott, és nagyon jól használható gyors tempójú játékokhoz. Összehasonlításképpen, az összes tesztelt eszköz 0.165 (minimum) és 636 (maximum) ms között mozog. » 8 % of all devices are better. Ez azt jelenti, hogy a mért válaszidő jobb, mint az összes vizsgált eszköz átlaga (31.6 ms). | ||
Teljesítmény, károsanyag-kibocsátás és akkumulátor-üzemidő - meglehetősen gyors
A MediaTek Helio G99 egy nagyon népszerű SoC ebben az árkategóriában. Általában zökkenőmentes működést tesz lehetővé, de igényesebb helyzetekben előfordulhatnak várakozási idők.
A teljesítmény jelentősen elmarad a Galaxy A17 5G-s modelljétől, de egyébként a hasonló árú modellekkel egy szinten van. Az UFS 2.2 memória meglehetősen gyorsan működik, de valójában lassabb, mint az elődben, ami csak egy eltérő memóriavezérlővel vagy szoftveres fojtással magyarázható.
A telefon hosszabb terhelés alatt maximum 44,4 °C-ra melegszik fel, ami érezhető, de nem kritikus. A telefon is legfeljebb minimálisan throttol hosszabb használat után.
Az alsó szélén található egyetlen hangszóró jobban szól, mint elődje, maximális hangerőn még mindig jól szól, és már nem annyira magas hangerővel. Így határozottan lehet popzenét vagy filmzenéket hallgatni. A külső hangeszközökhöz USB- vagy Bluetooth-csatlakozás áll rendelkezésre. Viszonylag kevés hangkódex van azonban a vezeték nélküli átvitelhez.
Az 5000 mAh-s akkumulátor ugyanaz, mint a Galaxy A16 4G és az üzemidő is csak kismértékben különbözik. A Samsung Galaxy A17 4G körülbelül 13 órán át bírja a WiFi akkumulátoros tesztünkben, ami a többi telefonhoz képest az egyik gyenge pontját mutatja.
| Samsung Galaxy A17 4G | Samsung Galaxy A17 5G | Xiaomi Redmi 15C 5G | Samsung Galaxy A16 4G | Motorola Moto G15 | Átlagos 128 GB eMMC Flash | Az osztály átlaga Smartphone | |
|---|---|---|---|---|---|---|---|
| AndroBench 3-5 | -1% | 181% | 179% | -3% | -16% | 476% | |
| Sequential Read 256KB (MB/s) | 518.6 | 528.2 2% | 509.9 -2% | 942.8 82% | 287.7 -45% | 300 ? -42% | 2223 ? 329% |
| Sequential Write 256KB (MB/s) | 172.6 | 170.7 -1% | 512.1 197% | 710.8 312% | 228.5 32% | 195.1 ? 13% | 1838 ? 965% |
| Random Read 4KB (MB/s) | 141.1 | 134.7 -5% | 196.3 39% | 208.8 48% | 65.2 -54% | 85.9 ? -39% | 295 ? 109% |
| Random Write 4KB (MB/s) | 55.9 | 56.4 1% | 329 489% | 208.1 272% | 87.4 56% | 58.1 ? 4% | 335 ? 499% |
(±) A felső oldalon a maximális hőmérséklet 44.4 °C / 112 F, összehasonlítva a 35.2 °C / 95 F átlagával , 21.9 és 247 °C között a Smartphone osztálynál.
(±) Az alsó maximum 44.9 °C / 113 F-ig melegszik fel, összehasonlítva a 34 °C / 93 F átlagával
(+) Üresjáratban a felső oldal átlagos hőmérséklete 25.3 °C / 78 F, összehasonlítva a 32.9 °C / ### eszközátlaggal class_avg_f### F.
3DMark stressztesztek
| 3DMark | |
| Wild Life Stress Test Stability | |
| Samsung Galaxy A17 4G | |
| Motorola Moto G15 | |
| Samsung Galaxy A17 5G | |
| Xiaomi Redmi 15C 5G | |
| Samsung Galaxy A16 4G | |
| Wild Life Extreme Stress Test | |
| Motorola Moto G15 | |
| Xiaomi Redmi 15C 5G | |
| Samsung Galaxy A17 4G | |
| Samsung Galaxy A16 4G | |
| Samsung Galaxy A17 5G | |
Samsung Galaxy A17 4G hangelemzés
(+) | a hangszórók viszonylag hangosan tudnak játszani (89 dB)
Basszus 100 - 315 Hz
(-) | szinte nincs basszus – átlagosan 24%-kal alacsonyabb a mediánnál
(±) | a basszus linearitása átlagos (12.9% delta az előző frekvenciához)
Közepes 400-2000 Hz
(±) | magasabb középértékek – átlagosan 6.1%-kal magasabb, mint a medián
(+) | a középpontok lineárisak (5.3% delta az előző frekvenciához)
Maximum 2-16 kHz
(±) | magasabb csúcsok – átlagosan 6.5%-kal magasabb, mint a medián
(±) | a csúcsok linearitása átlagos (9% delta az előző gyakorisághoz)
Összességében 100 - 16.000 Hz
(±) | az általános hang linearitása átlagos (21.9% eltérés a mediánhoz képest)
Ugyanazon osztályhoz képest
» 44%Ebben az osztályban az összes tesztelt eszköz %-a jobb volt, 8% hasonló, 48%-kal rosszabb
» A legjobb delta értéke 11%, az átlag 35%, a legrosszabb 134% volt
Az összes tesztelt eszközzel összehasonlítva
» 62% az összes tesztelt eszköz jobb volt, 7% hasonló, 31%-kal rosszabb
» A legjobb delta értéke 4%, az átlag 24%, a legrosszabb 134% volt
Motorola Moto G15 hangelemzés
(+) | a hangszórók viszonylag hangosan tudnak játszani (84.3 dB)
Basszus 100 - 315 Hz
(-) | szinte nincs basszus – átlagosan 23.7%-kal alacsonyabb a mediánnál
(±) | a basszus linearitása átlagos (11.9% delta az előző frekvenciához)
Közepes 400-2000 Hz
(±) | magasabb középértékek – átlagosan 5.3%-kal magasabb, mint a medián
(+) | a középpontok lineárisak (5.8% delta az előző frekvenciához)
Maximum 2-16 kHz
(+) | kiegyensúlyozott csúcsok – csak 3.3% választja el a mediántól
(+) | a csúcsok lineárisak (5.9% delta az előző frekvenciához képest)
Összességében 100 - 16.000 Hz
(±) | az általános hang linearitása átlagos (19.9% eltérés a mediánhoz képest)
Ugyanazon osztályhoz képest
» 32%Ebben az osztályban az összes tesztelt eszköz %-a jobb volt, 8% hasonló, 61%-kal rosszabb
» A legjobb delta értéke 11%, az átlag 35%, a legrosszabb 134% volt
Az összes tesztelt eszközzel összehasonlítva
» 50% az összes tesztelt eszköz jobb volt, 7% hasonló, 43%-kal rosszabb
» A legjobb delta értéke 4%, az átlag 24%, a legrosszabb 134% volt
| Samsung Galaxy A17 4G 5000 mAh | Samsung Galaxy A17 5G 5000 mAh | Xiaomi Redmi 15C 5G 6000 mAh | Samsung Galaxy A16 4G 5000 mAh | Motorola Moto G15 5200 mAh | |
|---|---|---|---|---|---|
| Akkumulátor üzemidő | 2% | 43% | 16% | 31% | |
| WiFi v1.3 (h) | 13 | 13.2 2% | 18.6 43% | 15.1 16% | 17 31% |
| Reader / Idle (h) | 33.7 | 27.2 | 29.8 | ||
| H.264 (h) | 17.9 | 23.7 | 19.8 | ||
| Load (h) | 4.5 | 5.8 | 5.5 |
Notebookcheck általános értékelés
A Samsung Galaxy A17 4G az árkategóriájához képest nagyon jól felszerelt.
Egyetlen gyenge pontja az üzemidő és a bizonytalan frissítési ígéret.

Samsung Galaxy A17 4G
- 10/24/2025 v8
Florian Schmitt
Lehetséges alternatívák az összehasonlításban
Kép | Modell / Review | Legjobb ár | Súly | Drive | Kijelző |
|---|---|---|---|---|---|
| Samsung Galaxy A17 4G Mediatek Helio G99 ⎘ ARM Mali-G57 MP2 ⎘ 4 GB Memória, 128 GB eMMC | Amazon: $204.99 List Price: 185€ | 190 g | 128 GB eMMC Flash | 6.70" 2340x1080 385 PPI AMOLED | |
| Samsung Galaxy A17 5G Samsung Exynos 1330 ⎘ ARM Mali-G68 MP2 ⎘ 4 GB Memória, 128 GB eMMC | Amazon: $212.70 List Price: 209€ | 192 g | 128 GB eMMC Flash | 6.70" 2340x1080 385 PPI AMOLED | |
| Xiaomi Redmi 15C 5G Mediatek Dimensity 6300 ⎘ ARM Mali-G57 MP2 ⎘ 4 GB Memória, 128 GB UFS 2.1 | Amazon: 1. $7.99 Suttkue for Xiaomi Redmi 15C... 2. $3.59 Mr.Shield Screen Protector c... 3. $8.57 GANGANPRO 2 Pack Privacy Scr... List Price: 170€ | 211 g | 128 GB UFS 2.2 Flash | 6.90" 1600x720 254 PPI IPS | |
| Samsung Galaxy A16 4G Mediatek Helio G99 ⎘ ARM Mali-G57 MP2 ⎘ 4 GB Memória, 128 GB UFS 2.1 | Amazon: $125.67 List Price: 179€ | 200 g | 128 GB UFS 2.2 Flash | 6.70" 2340x1080 385 PPI Super AMOLED | |
| Motorola Moto G15 Mediatek Helio G81 ⎘ ARM Mali-G52 MP2 ⎘ 4 GB Memória, 128 GB eMMC | Amazon: $133.70 List Price: 150€ | 190 g | 128 GB eMMC Flash | 6.72" 2400x1080 392 PPI IPS |
Átláthatóság
A felülvizsgálandó készülékek kiválasztását szerkesztőségünk végzi. A tesztmintát a gyártó vagy a kiskereskedő kölcsönként bocsátotta a szerző rendelkezésére a felülvizsgálat céljából. A hitelezőnek nem volt befolyása erre a felülvizsgálatra, és a gyártó sem kapott másolatot erről a felülvizsgálatról a közzététel előtt. Nem volt kötelesség ezt az ismertetőt közzétenni. Független médiavállalatként a Notebookcheck nincs alávetve a gyártók, kiskereskedők vagy kiadók felhatalmazásának.
Így tesztel a Notebookcheck
A Notebookcheck minden évben független, laptopok és okostelefonok százait vizsgálja meg szabványosított eljárások alkalmazásával annak érdekében, hogy minden eredmény összehasonlítható legyen. Körülbelül 20 éve folyamatosan fejlesztjük vizsgálati módszereinket, és ennek során iparági szabványokat állítottunk fel. Tesztlaboratóriumainkban kiváló minőségű mérőberendezéseket használnak tapasztalt technikusok és szerkesztők. Ezek a tesztek többlépcsős validációs folyamatot foglalnak magukban. Komplex minősítési rendszerünk több száz megalapozott mérésen és benchmarkon alapul, ami megőrzi az objektivitást.





















